Find parts for PART-10192

Select manuals to find parts

All
Parts manuals
Operational manuals
Documents
Manual thumb picture
Operational manual
PARTS M3

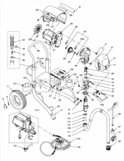
Click on the part number inside the manual to add to cart

Loading Manual
0%

Manual Bookmarks